Inhalt
Die smarte Lichtsteuerung von Homematic IP
Mit der smarten Lichtsteuerung von Homematic IP steuern Sie Ihre Beleuchtung intelligent per App, per Sprachsteuerung über Alexa oder den Google Assistant oder manuell am Schalter.
Automatisch zum gemütlichen Fernsehabend das Licht nach den eigenen Wünschen einstellen. Bei Sonnenuntergang automatisch das Licht einschalten. Das Alles ist mit der smarten Lichtsteuerung von Homematic IP kein Problem. Erstellen Sie verschiedene, individuelle Lichtszenarien. Je nach Tageszeit oder Stimmung.
Inhalt
Bei uns erfahren Sie, wie Sie Ihre smarte Lichtsteuerung von Homematic IP optimal nutzen. Sie erfahren, wie Sie vorhandene Kreuz- und Wechselschaltungen mit Homematic IP realisieren und zeigen Ihnen praktische Anwendungsbeispiele für individuelle Lichtszenarien.
Außerdem zeigen wir Ihnen, wie eine smarte Lichtsteuerung zur Sicherheit beiträgt. In Kombination mit den passenden Homematic IP Komponenten lassen sich ebenso leicht eine Warnbeleuchtung oder eine Anwesenheitssimulation erstellen.
Egal, ob Alexa oder Google. Die Nutzung der smarten Sprachassistenten wird immer beliebter. Kein Wunder, so sollen sie uns doch den Alltag erleichtern und zum Beispiel auf Zuruf unsere Lieblingsmusik abspielen oder ein Rezept vorlesen. Auch Ihr Smart Home System von Homematic IP können Sie mit beiden Sprachsteuerungsdiensten problemlos nutzen.
Kreuz und Wechselschaltung
Zunächst gibt es den „normalen“ Lichtschalter. Dieser klassische Lichtschalter steuert einen Verbraucher, zum Beispiel eine Lampe. Er besitzt einen Eingang und einen Ausgang und über eine Schalterwippe wird der Kontakt zwischen Stromquelle und Verbraucher geschlossen oder geöffnet.
Viele Räume benötigen oft mehr als einen Schalter, um das Licht zu schalten. Dabei wird zwischen zwei verschiedene Schaltungen unterschieden.
Wechselschalter
Mit einer Wechselschaltung lassen sich Lampen von zwei Stellen aus bedienen. Im Raum sind also zwei Schalter vorhanden und von beiden Stellen aus kann die Lampe ein- bzw. ausgeschaltet werden.
Kreuzschaltung
Kann eine Lampe von drei oder mehr Stellen aus geschaltet werden, spricht man von einer Kreuzschaltung. Eine solche Schaltung findet man oft in größeren Wohnräumen.
Umsetzung einer Kreuz,- bzw. Wechselschaltung mit Homematic IP
Sowohl eine Kreuz- als auch ein Wechselschaltung sind mit Homematic IP einfach zu realisieren.
Beim Austausch eines einzelnen Schalters benötigen Sie lediglich den Homematic IP Schalt-Mess-Aktor für Markenschalter . Tauschen Sie Ihren vorhanden Schalter einfach durch den Homematic IP Aktor aus. Mit den passenden Adaptern benutzen Sie ihre vorhandenen Rahmen bzw. Schalterwippen einfach weiter.
Der Aufbau sowie die Installation sind denkbar einfach.
Bitte beachten Sie, dass bei sämtlichen Installationen mit Homematic IP ein Neutralleiter vorhanden sein muss.
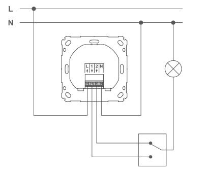
Wechselschaltung mit Homematic IP
Bei einer Wechselschaltung tauschen Sie lediglich den Schalter durch einen Homematic IP Schalt-Mess-Aktor für Markenschalter aus, der über einen Neutralleiter (N-Leiter) verfügt. Der vorhandene Wechselschalter muss nicht getauscht werden und bleibt bestehen.
Der Homematic IP Aktor erkennt durch die Messfunktion, ob die Lampe eingeschaltet oder ausgeschaltet ist. Egal welcher Schalter betätigt wird.
Kreuzschaltung mit Homematic IP
Bei einer vorhandenen Kreuzschaltung ist die Installation ähnlich. Eine Kreuzschaltung besteht aus zwei Wechselschaltungen und einem Kreuzschalter, der sich dazwischen befindet. Hier muss ebenfalls nur der vorhandenen Wechselschalter durch einen Homematic IP Schalt-Mess-Aktor für Markenschalter ausgetauscht werden. Die beiden anderen Schalter müssen nicht getauscht werden und bleiben bestehen.
Besonderheiten beim Dimmen
Wenn Sie eine Installation mit dimmbaren Lampen vornehmen möchten, müssen Sie die vorhandene Wechsel- bzw. Kreuzschaltung auflösen.
Tauschen Sie den vorhandenen Schalter, der mit der Lampe verbunden ist, durch einen Homematic IP Dimmaktor für Markenschalter aus. Für alle weiteren Taster benötigen Sie nun den Homematic IP Wandsender.
Über den Homematic IP Access Point können Sie nun die Konfiguration der Schaltung vornehmen.
Phasenabschnittdimmer – Achten Sie auf passende Leuchtmittel
Bei den Dimmaktoren von Homematic IP handelt es sich um Phasenabschnittdimmer. Lasten bis 80 W dimmt der Aktor in 0,5 % Schritten nahezu stufenlos.
Wichtig: Ein korrektes Dimmverhalten mit beliebigen LED Leuchtmitteln ist nicht garantiert. Prüfen Sie vor dem Einsatz des Homematic IP Dimmaktors, ob Ihre Leuchtmittel mit einem Phasenabschnittdimmer dimmbar sind.
Um ein korrektes Dimmverhalten zu garantieren, sollte die Kombination aus Dimmer und LED Leuchtmittel individuell getestet werden.
LED können sehr hohe Einschaltströme verursachen. Dadurch verschleißen die Homematic IP Aktoren und die Lebensdauer wird stark verkürzt. Dieses Problem taucht vorwiegend auf, wenn mehrere LED parallel geschaltet werden. Wir empfehlen in diesen Fällen den Einbau eines Einschaltstrombegrenzers .
Alle Informationen und Hinweise finden Sie nochmals zusammengefasst hier.
Erstellen Sie individuelle Lichtszenarien
Mit der smarten Lichtsteuerung von Homematic IP erstellen Sie individuelle Lichtszenarien.
Erstellen Sie sich Ihre persönliche Lichtstimmung zum Filmabend. Schalten Sie mit einem Tastendruck dimmbare Lampen auf einem bestimmten Lichtwert ein und erzeugen Sie eine gemütliche Stimmung. Alle anderen Lampen wie z. B. helle Deckenbeleuchtungen werden gleichzeitig ausgeschaltet.
Erweitern Sie die Lichtszenen um smarte Zwischenstecker von Homematic IP , können Sie mit dem gleichen Tastendruck auch Ihren Fernseher einschalten.
Doch Sie müssen nicht einmal mehr einen Schalter betätigen. Dank der Kompatibilität mit den Sprachsteuerungsdiensten von Google und Alexa reicht es aus zu sagen „Alexa, aktiviere Szenario Filmabend.“. Und schon kann es losgehen.
Anwendungsbeispiel „Willkommen zu Hause – Licht“
Sie kommen abends nach Hause und schließen die Haustüre auf. In der Wohnung ist es dunkel und Sie haben beide Hände mit Einkaufstüten voll. Während Sie versuchen, nicht zu stolpern, fängt die Suche nach dem Lichtschalter an.
Entspannter kann man den Feierabend in den eigenen vier Wänden mit einem „Willkommen zu Hause Licht“ beginnen.
Welche Geräte benötigen Sie?
Entweder einem Schaltaktor oder einem Dimmaktor für Markenschalter für die Deckenbeleuchtung oder die entsprechenden Zwischenstecker für beispielsweise Tischlampen oder Stehlampen.
Darüber hinaus benötigen Sie noch einen Tür-Fensterkontakt sowie einen Bewegungsmelder .
Die Konfiguration in der Homematic IP App
Wie üblich findet die Konfiguration in der Homematic IP App statt.
- Öffnen Sie die Homematic IP App und wählen Sie in der Menüleiste unten rechts „Mehr“ aus.
- In der Übersicht tippen Sie nun auf „Automatisierung“.
- Tippen Sie auf das + Zeichen und vergeben Sie einen Namen für die Automatisierung. In unserem Beispiel „Willkommen zu Hause Licht“
- Im nächsten Schritt definieren Sie den Auslöser. Wählen Sie dazu den Tür- Fensterkontakt der Haustüre aus und wählen den Zustand „geöffnet“.
- Als Zusatzbedingung wählen Sie als Nächstes den Bewegungsmelder aus.
- Wählen Sie den Auslöser: Bewegung = Nicht erkannt.
- Wählen Sie als zusätzlichen Auslöser: Helligkeitswert <=25
Diese Konfiguration hat zur Folge, dass die Lampe nur dann geschaltet wird, wenn zuvor keine Bewegung in der Wohnung bzw. im Flur festgestellt wurde. Damit die Aktion nicht bei jedem Öffnen der Haustüre auslöst.
Weiterhin sorgt der definierte Helligkeitswert dafür, dass das Licht nur dann geschaltet wird, wenn es in der Wohnung dunkel ist. Den Lichtwert können Sie dabei individuell anpassen. Wenn Sie sich unsicher sind, welchen Wert Sie nehmen sollen, können Sie den aktuellen Helligkeitswert des Bewegungsmelders in der App auslesen.
Nun legen Sie fest, welche Aktion ausgelöst werden soll, wenn alle Bedingungen erfüllt sind. In diesem Fall, die Lampe im Flur einzuschalten.
- Wählen Sie die Kategorie „Schalten“ aus.
- Als Bezug wählen Sie die Lampen im Flur aus, die geschaltet werden soll.
- Als Wert wählen Sie „An“ aus.
Lichtsteuerung und Sicherheit
Auch beim Thema Sicherheit hat eine smarte Lichtsteuerung besondere Vorteile.
Die Homematic IP App verfügt bereits über einige Lichtkonfigurationen für Ihre Sicherheit.
Alarm-Licht
Hier definieren Sie, welche Lichtquellen im Alarmfall eingeschaltet werden sollen.
- Öffnen Sie die Homematic IP App.
- Wählen Sie in der Menüleiste den Punkt „Mehr“.
- Tippen Sie auf „Lichtkonfiguration“ und anschließend auf „Alarm-Licht“.
- Nun wählen Sie die einzelnen Geräte aus, die im Alarmfall eingeschaltet werden sollen. Diese sind nach den einzelnen Räumen aufgelistet.
- Tippen Sie abschließend auf „OK“ (Android) bzw. „Fertig“ (iOS).
Panik-Licht
Mit dem Panik-Licht wählen Sie aus, welche Lichtquellen geschaltet werden, wenn Sie einen Wandtaster betätigen.
- Öffnen Sie die Homematic IP App.
- Wählen Sie in der Menüleiste den Punkt „Mehr“.
- Tippen Sie auf „Licht-Gruppen“ und anschließend auf „Panik-Licht“.
- Nun wählen Sie die einzelnen Geräte aus, die geschaltet werden sollen, wenn der Taster betätigt wird. Diese sind nach den einzelnen Räumen aufgelistet.
- Tippen Sie abschließend auf „OK“ (Android) bzw. „Fertig“ (iOS).
Coming-Home-Licht
Ähnlich wie unser individuelles Anwendungsbeispiel bietet die Homematic IP App eine einfache Variante für dunkle Bereiche im Eingangsbereich. Diese werden mit der Licht-Taste der Schlüsselfernbedienung geschaltet.
- Öffnen Sie die Homematic IP App.
- Wählen Sie in der Menüleiste den Punkt „Mehr“.
- Tippen Sie auf „Licht-Gruppen“ und anschließend auf „Coming-Home-Licht“.
- Nun wählen Sie die einzelnen Geräte aus, die geschaltet werden sollen, wenn die Taste der Schlüsselfernbedienung gedrückt wird. Diese sind nach den einzelnen Räumen aufgelistet.
- Tippen Sie abschließend auf „OK“ (Android) bzw. „Fertig“ (iOS).
Sie können ein oder mehrere Geräte für diese Funktion aktivieren. Mit einem langen Tastendruck auf die Lichttaste der Fernbedienung schalten Sie das Coming-Home-Licht aus.
Das Homematic IP System bietet weitere Komponenten, die in eine individuelle Lichtsteuerung zur Steigerung der Sicherheit eingebunden werden können.
Bewegungsmelder für den Außenbereich ermöglichen zum Beispiel das Ausleuchten der Einfahrt oder des Gartens bei Dunkelheit.
Einbrecher werden zudem mit einer intelligenten Anwesenheitssimulation abgeschreckt. Wie Sie eine solche Anwesenheitssimulation über eine zufällige Lichtsteuerung erstellen, erfahren Sie hier .
Bitte beachten Sie: Alle Arbeiten an 230 Volt Anschlüssen dürfen in Deutschland nur von einer Elektrofachkraft (nach VDE 0100) vorgenommen werden.
Noch Fragen?
Haben Sie Fragen zum Homematic IP System?
Dann sind wir Ihr Ansprechpartner bei allen Smart Home Lösungen und Fragen zur Hausautomation mit Homematic IP.
Wir beraten Sie gerne kostenlos unter der Rufnummer 02275-919644 oder schicken Sie eine E-Mail an office@contronics.de.
Viele Grüße
Ihr contronics Team
Weitere Beiträge
Clever steuern, entspannt vermieten – Homematic IP für Ferienwohnungen & Co.
InhaltAls Vermieter von Ferienwohnungen, klassischen Mietwohnungen oder speziellen Monteur-Apartments stehen Sie oft vor ähnlichen...
Mehr als nur Auf und Ab – Eine Rollladensteuerung für ein modernes Zuhause mit Homematic IP
InhaltTäglich fahren wir unsere Rollläden Auf und Ab. Und das meistens noch mühsam per Hand. Mit Homematic IP steuern Sie Ihre Rollläden bequem per...
Smarte Außenbeleuchtung für Garten & Terrasse
Endlich wieder Frühling. Endlich wieder gemütlich nach draußen in den Garten oder auf die Terrasse.
Damit es dort auch in den Abendstunden gemütlich und sicher bleibt, bietet das Homematic IP System verschiedene Komponenten für eine smarte Außenbeleuchtung.
Erstellen Sie individuelle Szenarien für eine gemütliche Stimmung am Abend. Schützen Sie Ihr Haus effektiv vor Einbrechern. Leuchten Sie Bereiche für einen sicheren Weg durch den Garten im Dunkeln optimal aus und sparen Sie dabei gleichzeitig Energiekosten ein.


